所属分类:单片式电磁离合器
产品规格:
发布时间:2222-11-03
访问数量:2022
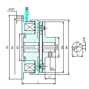
单片电磁离合器、制动器,它具有结构简单,安装方便,工作频率高,动作灵敏,无空载力矩,噪声低等特点,广泛由于印刷、造纸、包装、医疗、纺织、建筑、船舶、办公机械、计算机外围设备、仪表、通讯等机械传动系统中完成离合、换向、变速、制动、定位等功能。
天津捷泰传动机械制造有限公司
地址:天津市静海县大邱庄工业区
手机:13820041181
电话:022-68751805
QQ:1806999618
微信:13820041181
公司简介
企业文化
公司新闻
行业新闻
电磁多片离合器
电磁多片制动器
牙嵌式电磁制动器
牙嵌式电磁离合器
单片式电磁离合器
单片式电磁制动器
电磁组合离合器
电磁离合制动器
电刷
速通门、道闸专用离合器(制动器)
气动离合器
Copyright © 2018-2020天津捷泰传动机械制造有限公司 All Rights Reserved. 津ICP备2022007353号-6